Overslaan naar hoofdinhoud Ga naar zoeken Naar menu

Fachberatung & Support

Telefonisch
+49 (0) 5225 - 863670

Servicezeiten
Mo-Do: 8 - 12 / 13 - 16 Uhr
Freitag: 8 - 12 / 13 - 15 Uhr


- Häufige Fragen
- Termin vereinbaren
- PV Verlustrechner

4000 liter opslagtank voor zuiver water

  • Artikelnummer: 386
  • GTIN: 0745114573117
  • Hoge en stabiele kwaliteit
  • incl. gegalvaniseerde pijpsteunen
  • tot 4000 liter inhoud
  • incl. 400 mm onderhoudskoepel
  • andere maten op aanvraag
2.780,00 €
excl. 19% BTW. , plus. Verzending

Beschrijving van de

4000 liter opslagtank voor zuiver water is de grootste natuurlijke kunststof opslagtank die in onze winkel verkrijgbaar is, gemaakt van hoogwaardig polyethyleen met gegalvaniseerde pijpsteunen voor het opslaan en vasthouden van vers geproduceerd zuiver water. De tank kan zo de basis worden van een puurwatervulstation en uw medewerkers en voertuigen van puur water voorzien voordat ze op weg gaan naar hun opdrachten. Wij adviseren u graag bij het opzetten van een puurwatervulstation. We kunnen je alle relevante onderdelen leveren.

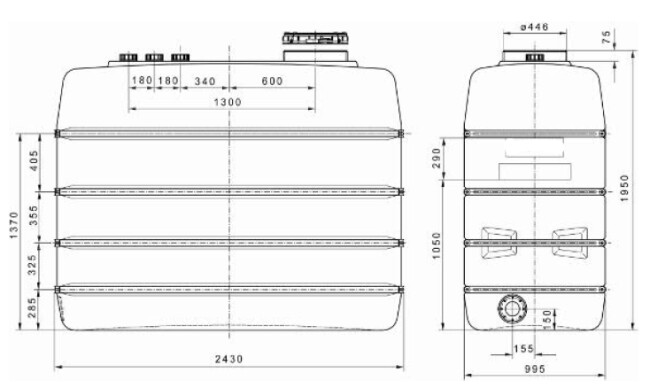
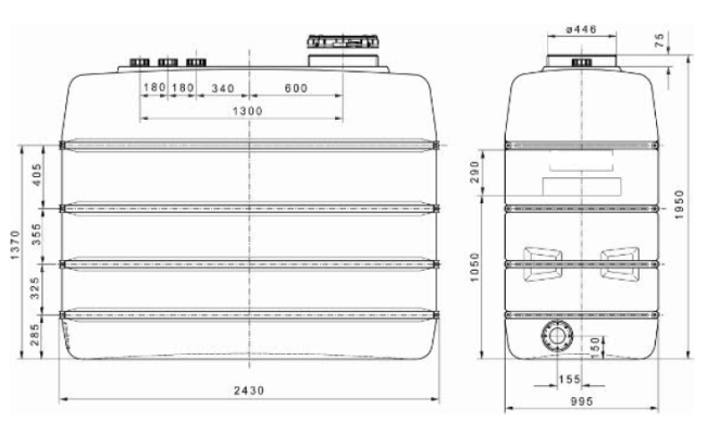
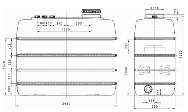
Het hier aangeboden tankmodel heeft een inhoud van maximaal 4000 liter zuiver water. De tank heeft een 400 mm onderhoudskoepel aan de bovenkant en drie 2" aansluitingen. De tank heeft ook een gegoten flens van 155 mm aan de onderkant. We raden aan om het vullen en verwijderen via de bovenkant te organiseren. We geven je graag advies over hoe je dit kunt realiseren.

Product video verhalen

Technische gegevens

  • Schroefdop DN400 met klemslot
  • Wartelmoer met 2" schroefdraad
  • Verzinkt pijpverband
  • Voorgevormde, gesloten onderflens (boutcirkel 155 met 8 M10 schroefdraad, max. 17 mm diep)
  • Kunststof opslagcontainer van hoogmoleculair lagedrukpolyethyleen (HD-PE)
  • Afmetingen (L/W/H): 243 x 99,9 x 195 cm
  • Gewicht: 235 kg
  • Inhoud: 4000 liter

Omvang van de levering

  • 1 x 4000 liter opslagtank voor zuiver water
Laatst bekeken